QGA系列氣缸(無緩沖裝置)說明書
QGA系列氣缸(無緩沖裝置)
QGA系列氣缸(無緩沖裝置)|QGA普通氣缸|QGA氣缸
QGA系列氣缸是無緩沖裝置的普通氣缸,工作介質為經過凈化處理的含油霧壓縮空氣。
QGA系列氣缸型號
QGA40×300型氣缸、QGA50×300型氣缸、QGA63×800型氣缸、QGA80×800型氣缸、QGA100×1500型氣缸、QGA125×2000型氣缸、QGA160×2500型氣缸、QGA200×2500型氣缸、QGA250×2500型氣缸
QGA40×300-f前法蘭式氣缸、QGA50×300-f前法蘭式氣缸、QGA63×800-f前法蘭式氣缸、QGA80×800-f前法蘭式氣缸、QGA100×1500-f前法蘭式氣缸、QGA125×2000-f前法蘭式氣缸、QGA160×2500-f前法蘭式氣缸、QGA200×2500-f前法蘭式氣缸、QGA250×2500-f前法蘭式氣缸
QGA50×300-F后法蘭式氣缸、QGA63×800-F后法蘭式氣缸、QGA80×800-F后法蘭式氣缸、QGA100×1500-F后法蘭式氣缸、QGA125×2000-F后法蘭式氣缸、QGA160×2500-F后法蘭式氣缸、QGA200×2500-F后法蘭式氣缸、QGA250×2500-F后法蘭式氣缸
QGA40×300-G腳架式氣缸、QGA50×300-G腳架式氣缸、QGA63×800-G腳架式氣缸、QGA80×800-G腳架式氣缸、QGA100×1500-G腳架式氣缸、QGA125×2000-G腳架式氣缸、QGA160×2500-G腳架式氣缸、QGA200×2500-G腳架式氣缸、QGA250×2500-G腳架式氣缸
QGA40×300-B中間擺軸式氣缸、QGA50×300-B中間擺軸式氣缸、QGA63×800-B中間擺軸式氣缸、QGA80×800-B中間擺軸式氣缸、QGA100×1500-B中間擺軸式氣缸、QGA125×2000-B中間擺軸式氣缸、QGA160×2500-B中間擺軸式氣缸、QGA200×2500-B中間擺軸式氣缸、QGA250×2500-B中間擺軸式氣缸
QGA40×300-S尾部懸掛式氣缸、QGA50×300-S尾部懸掛式氣缸、QGA63×800-S尾部懸掛式氣缸、QGA80×800-S尾部懸掛式氣缸、QGA100×1500-S尾部懸掛式氣缸、QGA125×2000-S尾部懸掛式氣缸、QGA160×2500-S尾部懸掛式氣缸、QGA200×2500-S尾部懸掛式氣缸、QGA250×2500-S尾部懸掛式氣缸

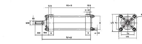
QGA系列氣缸標注說明:
QGA①-②-③
①氣缸內徑 ②氣缸行程 ③氣缸安裝形式 無記號:基本型 f:前法蘭式 F:后法蘭式 G:腳架式 B:中間擺軸式 S:尾部懸掛式

QGA系列氣缸基本參數:
|
氣缸內徑
(mm) |
行程范圍
(mm) |
工作壓力范圍
(MPa) |
周圍介質溫度
(℃) |
理論作用力(N)
(壓力為0.4MPa時計算) |
|
|
推力
|
拉力
|
||||
|
φ40
|
0~300
|
0.15~0.8
|
-10~80
|
500
|
450
|
|
φ50
|
0~300
|
0.15~0.8
|
780
|
700
|
|
|
φ63
|
0~800
|
0.15~0.8
|
1250
|
1120
|
|
|
φ80
|
0~800
|
0.15~0.8
|
2010
|
1880
|
|
|
φ100
|
0~1500
|
0.15~0.8
|
3140
|
2950
|
|
|
φ125
|
0~2000
|
0.1~0.8
|
4910
|
4720
|
|
|
φ160
|
0~2500
|
0.1~0.8
|
8040
|
7720
|
|
|
φ200
|
0~2500
|
0.1~0.8
|
12570
|
12250
|
|
|
φ250
|
0~2500
|
0.1~0.8
|
19640
|
19140
|
|
卓力工礦是國內知名QGA系列氣缸(無緩沖裝置)生產廠家,有豐富的經驗為客戶提供高品質的QGA系列氣缸(無緩沖裝置)及完善的售后服務,如果您想了解最新QGA系列氣缸(無緩沖裝置)價格或者更詳細信息,歡迎撥打服務熱線:
13280082001 18605374511.或者聯系在線客服:
點擊這里、立刻咨詢;我們攜程為您服務!
常見問題:QGA系列氣缸(無緩沖裝置)發貨時間? QGA系列氣缸(無緩沖裝置)售后保障? QGA系列氣缸(無緩沖裝置)訂貨需要提供什么信息?
產品標簽:QGA系列氣缸(無緩沖裝置)|
QGA普通氣缸|QGA氣缸
|
上一篇:QGBZ系列重型氣缸
下一篇:液壓油缸焊接接頭·油口

鐵路設備
運轉設備
鉆采設備
噴漿支護
提升設備
防爆電器
礦用電氣
通防設備
救援設備
化工設備
路面建筑
園林機械
節能環保設備
水利機械
泵類
電機




















