DLYS采煤礦機多路換向閥說明書
DLYS采煤礦機多路換向閥
DLYS采煤礦機多路換向閥|DLYS15多路換向閥
用途與特征
DLYS采煤礦機多路換向閥主要適用于大中型采煤機械,主要操縱調高、破碎機調高等液壓機構。
DLYS采煤礦機多路換向閥閥體采用鑄造油道,片式結構,具有體積小,壓力損失小,集成度高,操縱力小,結構緊湊等特點。
DLYS采煤礦機多路換向閥閥體采用鑄造油道,片式結構,具有體積小,壓力損失小,集成度高,操縱力小,結構緊湊等特點。
性能參數
| 通徑 | 公稱壓力 | 公稱流量 | 許用背壓 | 先導控制壓力 |
| 15 | 25 | 65 | 2 | 0.5-2.4 |

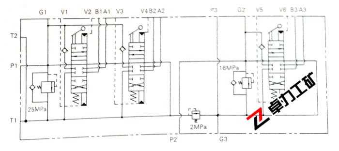
液壓原理圖

外形及連接尺寸

卓力工礦是國內知名DLYS采煤礦機多路換向閥生產廠家,有豐富的經驗為客戶提供高品質的DLYS采煤礦機多路換向閥及完善的售后服務,如果您想了解最新DLYS采煤礦機多路換向閥價格或者更詳細信息,歡迎撥打服務熱線:
13280082001 18605374511.或者聯系在線客服:
點擊這里、立刻咨詢;我們攜程為您服務!
常見問題:DLYS采煤礦機多路換向閥發貨時間? DLYS采煤礦機多路換向閥售后保障? DLYS采煤礦機多路換向閥訂貨需要提供什么信息?
產品標簽:DLYS采煤礦機多路換向閥|
DLYS15多路換向閥
|
上一篇:GCJX工程機械用多路換向閥
下一篇:沒有了!

鐵路設備
運轉設備
鉆采設備
噴漿支護
提升設備
防爆電器
礦用電氣
通防設備
救援設備
化工設備
路面建筑
園林機械
節能環保設備
水利機械
泵類
電機




















