ZTDLF整體多路換向閥說明書
ZTDLF整體多路換向閥
ZTDLF整體多路換向閥|ZTDLF鉆機多路換向閥
用途與特征
ZTDLF整體多路換向閥采用整體鑄造,避免了片間漏油,體積小,便于安裝。復位方式有彈簧復位和鋼球定位可供選擇。
此閥可用于鉆機,鑿巖機,農業機械,車載起重機和小型空中作業平臺
性能參數
| 通徑 | 公稱壓力 | 公稱流量 | 許用背壓 | 先導控制壓力 |
| 10 | 25 | 45 | 2 | - |

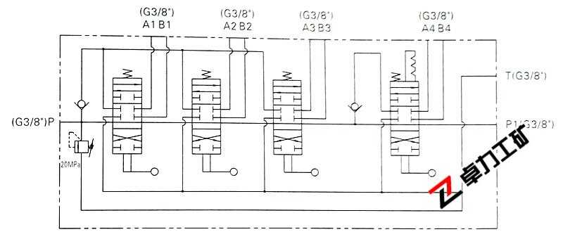
液壓原理圖

外形及連接尺寸

卓力工礦是國內知名ZTDLF整體多路換向閥生產廠家,有豐富的經驗為客戶提供高品質的ZTDLF整體多路換向閥及完善的售后服務,如果您想了解最新ZTDLF整體多路換向閥價格或者更詳細信息,歡迎撥打服務熱線:
13280082001 18605374511.或者聯系在線客服:
點擊這里、立刻咨詢;我們攜程為您服務!
常見問題:ZTDLF整體多路換向閥發貨時間? ZTDLF整體多路換向閥售后保障? ZTDLF整體多路換向閥訂貨需要提供什么信息?
產品標簽:ZTDLF整體多路換向閥|
ZTDLF鉆機多路換向閥
|
上一篇:DL-G10L型多路換向閥
下一篇:M45整體多路換向閥

鐵路設備
運轉設備
鉆采設備
噴漿支護
提升設備
防爆電器
礦用電氣
通防設備
救援設備
化工設備
路面建筑
園林機械
節能環保設備
水利機械
泵類
電機




















